Another Dragon version???

A place to discuss everything Dragon related that doesn't fall into the other categories.
pser1
Posts: 1793
Joined: Sun Mar 25, 2012 7:32 pm
Location: Barcelona (SPAIN)

Re: Another Dragon version???

Post by pser1 »

Hello,
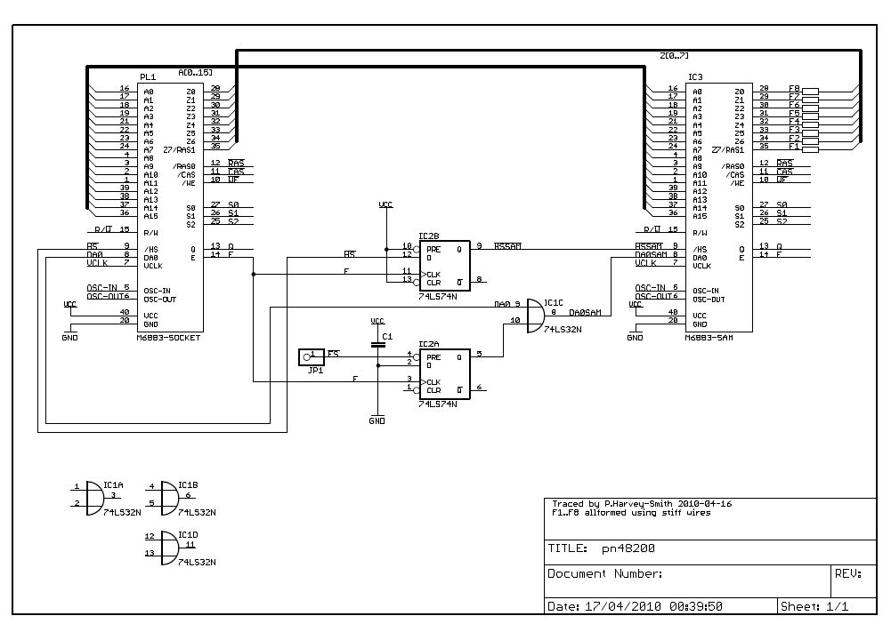
having seen that the board is from Dragon Data, I have searched my PC Dragon folders and finally I have found a very good schematics from P.Harvey-Smith dated April 2010.
I will enclose it here, hope this will be correct.
Schematics from  P.Harvey-Smith
Schematics from P.Harvey-Smith
Dragon Data pn48200.jpg (80.04 KiB) Viewed 4979 times
It seems to be a way to better the image synchronisation on the MC6847.
The JP1 point on the schematics is the red wire on the photos I have attached on my last message.
It links to the /FS pin of the MC6847, so both /HS and /FS are used on this daughterboard.

Regards
Pere
User avatar
tormod
Posts: 416
Joined: Sat Apr 27, 2013 12:06 pm
Location: Switzerland
Contact:

Re: Another Dragon version???

Post by tormod »

Has anyone tried to see how much of a difference the card makes on the image quality?
sixxie
Posts: 1443
Joined: Fri Jul 18, 2008 8:36 am
Location: Hertfordshire
Contact:

Re: Another Dragon version???

Post by sixxie »

I'd be a bit surprised if it affected image quality really, as all those are inputs to the SAM. Probably more like timing stability - I vaguely remember reading something about early CoCo 1s not working quite right because the HS pulse duration varied with heat, and a solution like this fixed it. Don't recall what the problem was though.
Alastair
Posts: 690
Joined: Fri Jul 18, 2008 11:33 pm

Re: Another Dragon version???

Post by Alastair »

As Steve (Zephyr) mentioned earlier in the thread, this board has been discussed before. Phill (Prime) reckons that it cleans up the video signal.
sixxie
Posts: 1443
Joined: Fri Jul 18, 2008 8:36 am
Location: Hertfordshire
Contact:

Re: Another Dragon version???

Post by sixxie »

Fair enough - I wonder how? Maybe buffering the inputs to the SAM reduces the drain on the signal being fed to the video output parts of the board.
prime
Posts: 268
Joined: Fri Apr 10, 2009 1:40 am

Re: Another Dragon version???

Post by prime »

It's just struck me whilst looking at the Dragon 64 circuit diagram, that the board was obviously an improvement as it's included in the Dragon 64 circuitry (IC14 & IC13A).

Just looking to maybe try and convert my Atom RGB board to work on the Dragon & CoCo, would not be a problem if the 6847 was socketed :(

Cheers.

Phill.
Post Reply